FSUK-ANCHOR: Rivet Bushes

FSUK-ANCHOR

Description

The FSUK Anchor rivet bush is designed with serrations on the spigot and can be used in material as thin as 0.5mm up to 5.9mm. The spigot is designed to go through the sheet and be riveted over on the back allowing it to go into all types of material. They are generally available in Steel Self Colour or Zinc and Clear Pass(C3) and Stainless Steel. It is designed to be installed into drilled or punched holes. Please note stock sizes are M3-M10

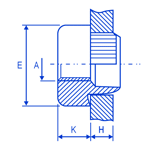
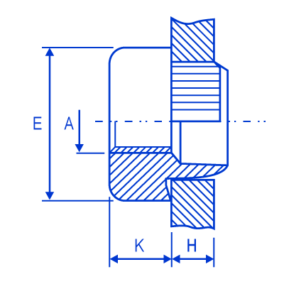
Dimensions

threadEKholesize
M28.02.35.9
M2.58.03.25.9
M38.03.25.9
M3.59.53.87.0
M49.53.87.0
M5114.48.35
M612.55.79.65
M816.06.413.1
M1019.07.615.5
M1225.410.219.6
M1425.410.219.6
M1625.410.219.5

Advantages

CAN BE INSTALLED MANUALLY OR WITH AN AUTO-FEED PRESS VERY HIGH PERFORMANCE DUE TO ITS RIVETING ACTION ON THE BACK OF THE SHEET METAL SUITABLE FOR USE IN DRILLED OR PUNCHED HOLES

Comments

HOW TO SPECIFY:
FSUK ANCHOR M4 1.6mm S-Z FOR EACH SIZE JUST SPECIFY THE MATERIAL THICKNESS (H)
S= STEEL STST= STAINLESS SC= SELF COLOUR
SPECIFY Z FOR ZINC PLATED (TRIVALENT C3) AT THE END OF PART NO Hole Size tolerance is -0/+0.1mm

click HERE for a PDF version of this brochure page

Most sizes available from stock contact fsuk for further info.